首页
产品
泌尿外科
一次性使用电子输尿管肾盂内窥镜导管
电子膀胱内窥镜
一次性使用电子输尿管肾盂内窥镜导管
多腔道内窥镜导管
一次性使用电子输尿管肾盂内窥镜导管
一次性使用电子膀胱内窥镜导管
一次性使用电子输尿管肾盂内窥镜导管
一次性使用输尿管内窥镜导管取石套件
输尿管负压导引鞘
输尿管导引鞘
一次性使用取石网篮
非血管腔道导丝
输尿管扩张球囊导管
输尿管支架管
封堵取石导管
封堵拦截导管
球囊扩张压力泵
负压引流收集装置
经皮肾穿刺套件
一次性使用泌尿内镜抓钳
纤维输尿管肾镜
一次性使用电子膀胱内窥镜导管取石活检套件
温压测量仪
医用内窥镜图像处理器
一次性使用温压测量导管
呼吸气道管理
一次性使用电子支气管内窥镜导管
支气管封堵导管
一次性使用胸部穿刺器
气道扩张球囊导管
一次性使用电子鼻咽喉内窥镜导管
消化内科
一次性使用电子胆胰内窥镜导管
等离子手术设备(NW-100)
一次性使用双极等离子电圈套器
一次性使用热活检钳
一次性导丝
一次性高频切开刀
一次性使用取石球囊
一次性使用取石网篮
一次性胆道引流管
一次性鼻胆引流管
球囊扩张导管
妇科
电子宫腔内窥镜
一次性使用宫颈扩张导管及附件
一次性使用电子宫腔推进导管
肝胆外科
一次性使用电子胆道内窥镜导管取石套件
一次性使用电子胆道内窥镜导管
一次性使用电子胆道内窥镜导管
普外科
多通道单孔腹腔镜手术穿刺器
关于
新闻
联系
简
繁
EN
INNOVATE YOUR FUTURE
事件
新闻
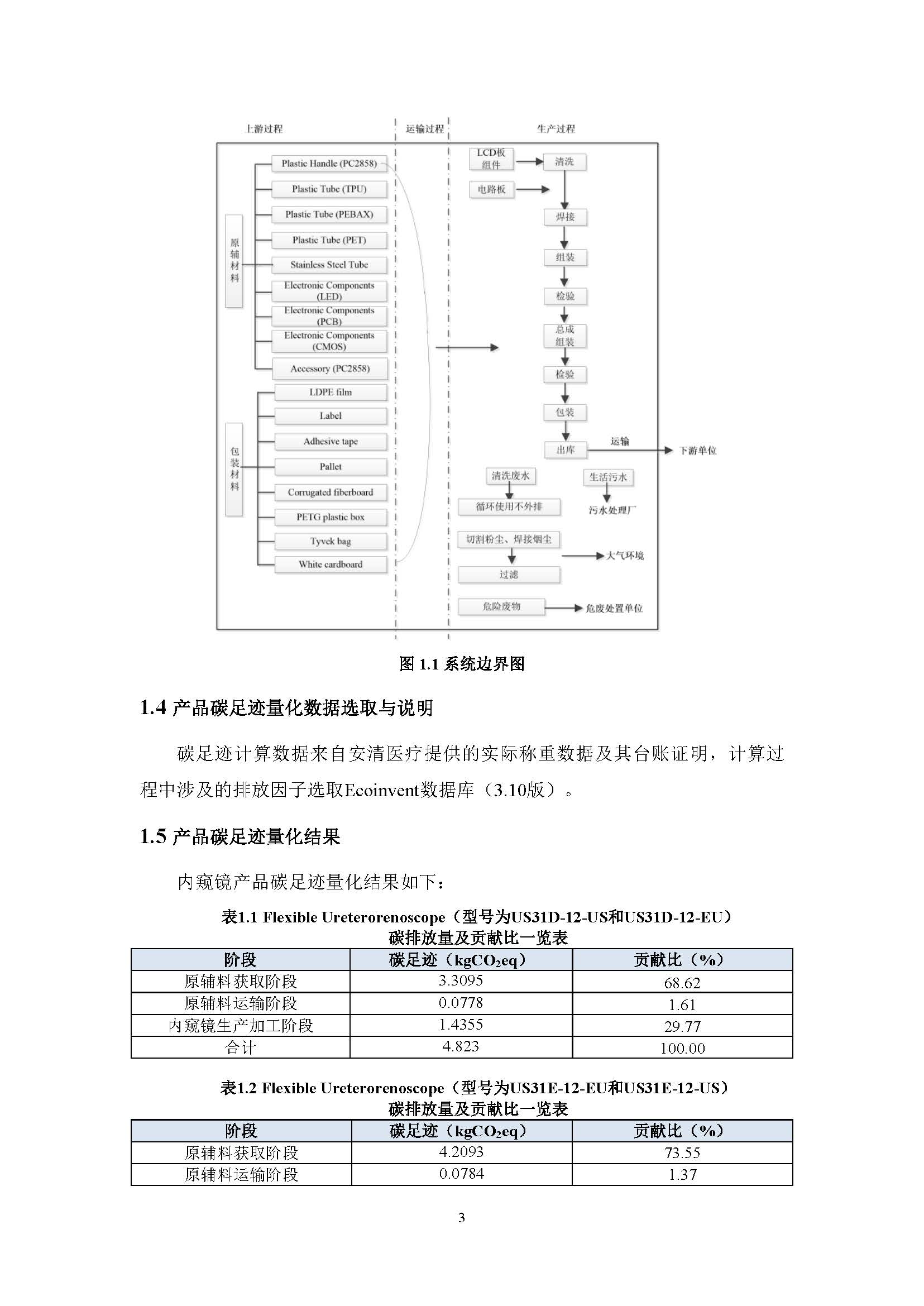
上海安清医疗器械有限公司产品碳中和达成QES
发布时间: 2024-12-26 03:24 访问: 2152